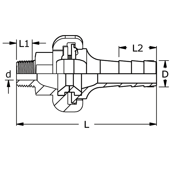
R-140 Klokoppling

Utvändiga koniska gängor enl. ISO 7/1 / EN 10226 R
Individuellt tryckberäknade enligt EN 13480-3
Lagerstandard EN 1.4404, andra stålsorter mot förfrågan

DN Dim. L
mm
L1
ISO 7/1 R
mm
L2
mm
D
mm
d
mm
Design
pressure
Mpa
Weight
kg/pce
Article code
EN 1.4408
10 3/8” 109 15 20 10,5 8 10 0,37 11-0140-03
15 1/2” 109 15 20 14,6 10 10 0,38 11-0140-04
20 3/4” 109 15 30 20,5 15 10 0,4 11-0140-05