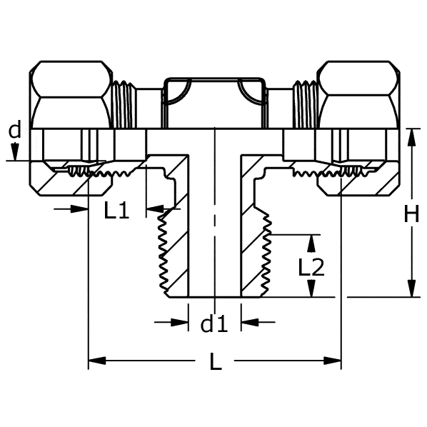
| Dim. | L mm |
L1 mm |
H mm |
L2 ISO 7/1 R mm |
d mm |
d1 mm |
Width across flats mm |
Design pressure Mpa |
Weight kg/pce |
Article code EN 1.4408 |
| 6 x 1/8” | 40 | 10,5 | 24 | 14 | 6,2 | 5 | 14 | 10 | 0,05 | 11-1326-01 |
| 8 x 1/4” | 42 | 10 | 26 | 14 | 8,1 | 6 | 17 | 10 | 0,07 | 11-1326-03 |
| 10 x 1/4” | 44 | 11 | 27,5 | 14,5 | 10,2 | 8 | 19 | 10 | 0,08 | 11-1326-04 |
| 12 x 1/4” | 48 | 11 | 32 | 17 | 12,2 | 8 | 22 | 10 | 0,09 | 11-1326-06 |
| 12 x 1/2” | 48 | 11 | 32 | 17 | 12,2 | 10 | 22 | 10 | 0,11 | 11-1326-08 |

